Technical Features
Connection Details

Mounting detail of steel building

Column joint detail

Column – crossbeam joint detail

Truss joint detail

C

C Beamed

Sigma

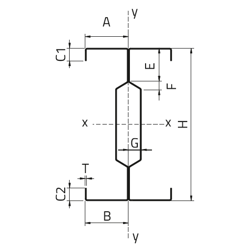
Sigma Beamed

Z

Z Beamed

Twin Sigma Connection

Twin Sigma
Plus Connection

Twin C Connection

Twin C
Plus Connection

Twin U Connection
Hole Details
Dimple
Male and famele dimple tools are used upto 2 mm thickness.
Rectangle
Postscript: Rectangle holes in different measures can be bored with the combination of these.
Round
Slot
Oval